| Boundary dimensions (mm) |
Load ratings (KN) |
Limiting speeds (r/min) |
Mass (kg) |
Bearing NO. | ||||
| d | D | B | Cr | Cor | Grease | oil | ZZ | |
| 25 | 62 | 24 | 19 | 5.4 | 7500 | - | 0.34 | 2305K-2RS |
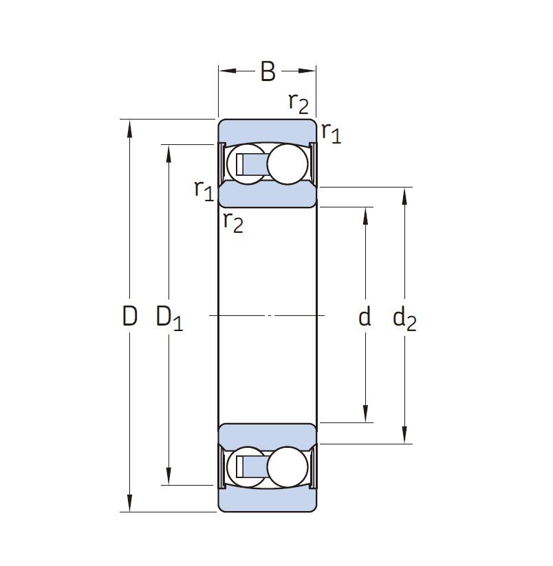
Self-aligning ball bearings have two rows of balls and a common sphered
raceway in the outer ring.Sealed bearings have a contact seal on both
sides that is made of oil and wear-resistant NBR and reinforced with a
sheet steel insert(designation suffix 2RS).We can supply different cage
type , such as Stamped steel,PA66 glass fibre reinforced and Machined
brass . These type bearings are widely used in paper industry,Gear Box
,Spinning machine, plastic machinery, medical equipment and all kinds of
industrial machinery. If you want to know more about ZZ 2305K-2RS
Sealed self-aligning ball bearings , welcome you contact us freely .

